Skip links
Servizi

Ufficio tecnico progettazione impianti tecnologici

Sappiamo consigliarti il tipo di intervento nel rispetto di tutte le normative vigenti. Inoltre possiamo seguirti nella scelta anche in termini di agevolazioni e detrazioni fiscali.Nella sezione contatti troverai i nostri riferimenti, dove potrai contattarci per un preventivo e un sopralluogo gratuito.

— Descrizione servizio

Per rispondere alle esigenze sempre più complesse di committenti pubblici e privati da anni ormai abbiamo creato un ufficio tecnico interno alla nostra società.

Progettare significa “pensare” prima di “fare”: questo è il nostro approccio, ossia uno studio minuzioso delle opere da realizzare.

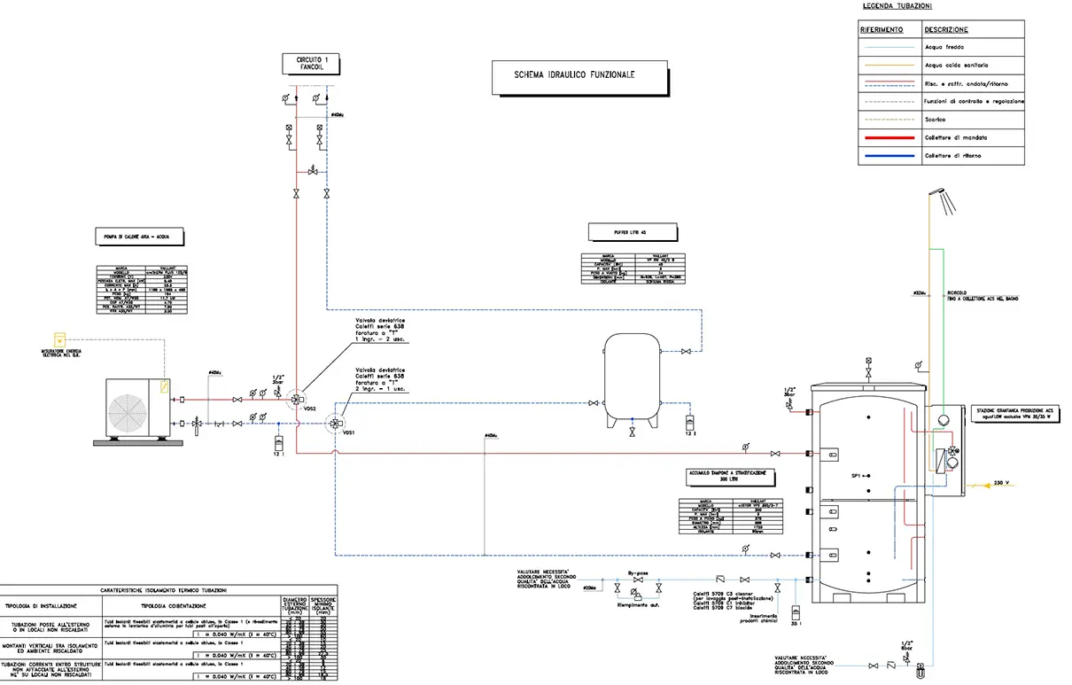
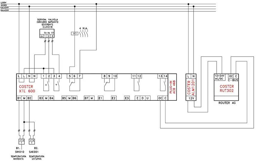
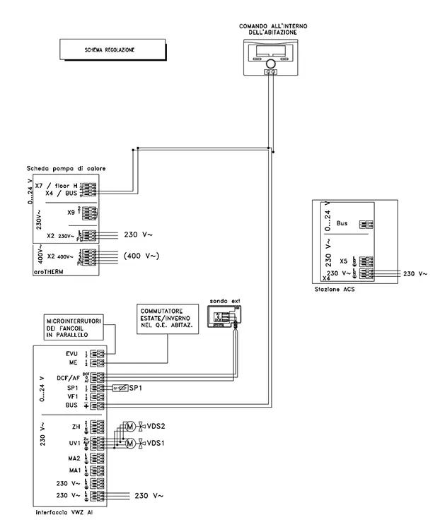
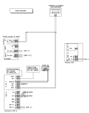
Valutiamo l’integrazione di nuovi sistemi ad alta efficienza su impianti esistenti, studiando accuratamente il layout e gli spazi, realizziamo gli schemi funzionali termomeccanici e della termoregolazione.

- Portfolio

Scopri alcuni lavori realizzati in ambito

Ufficio tecnico progettazione impianti tecnologici

Explore
Drag